| Bore Size | Mounting Nut | Clevis | Rear Pivot Hole | Air Port Size | |
| 5/16 | 3/8-24 | #5-40 | .12 | #10-32 | |
| 7/16 | 7/16-20 | #10-32 | .15 | #10-32 | |
| 9/16 | 7/16-20 | #10-32 | .15 | #10-32 | |
| 3/4 | 5/8-18 | 1/4-28 | .25 | 1/8 NPT | |
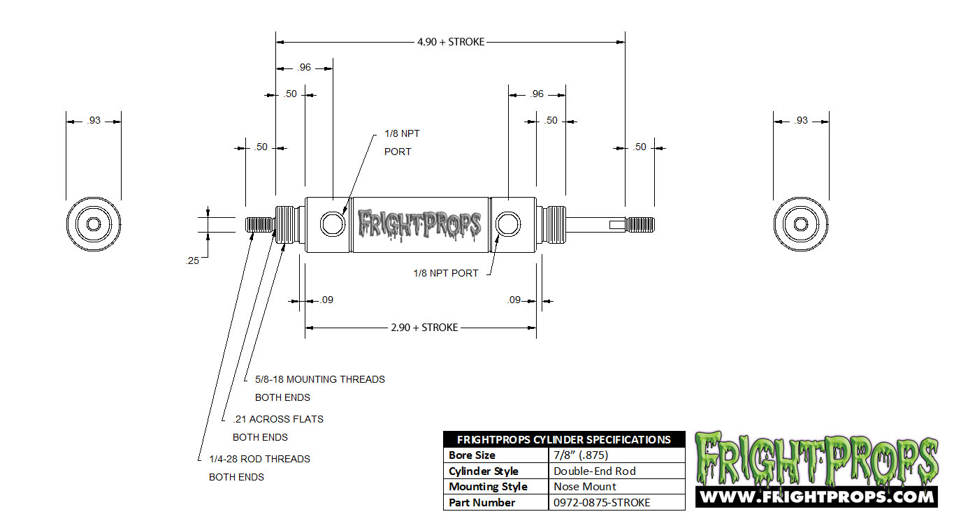
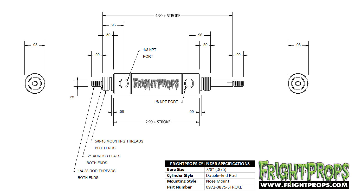
| 7/8 | 5/8-18 | 1/4-28 | .25 | 1/8 NPT | |
| 1-1/6 | 5/8-18 | 5/16-24 | .25 | 1/8 NPT | |
| 1-1/4 | 3/4-16 | 7/16-20 | .25 | 1/8 NPT | |
| 1-1/2 | 3/4-16 | 7/16-20 | .37 | 1/8 NPT | |
| 1-3/4 | 1-14 | 1/2-20 | .37 | 1/4 NPT | |
| 2 | 1 1/4-12 | 1/2-20 | .37 | 1/4 NPT | |
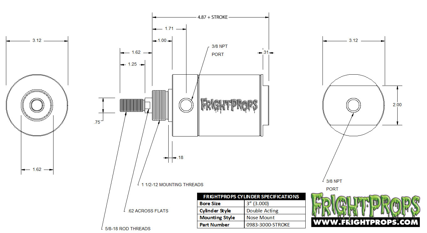
| 3 | 1 1/2-12 | 5/8-18 | .5 | 3/8 NPT | |
Maximum psi for all cylinders is 250psi.
The following tables contain links to cylinder dimensional drawings. This diagram illustrates how to determine overall cylinder length from the dimensional drawings.

|
Double Acting / Universal Mount |
|||
|
Part Number |
Bore Size |
Specifications |
Order |
|
0758-0312-STROKE |
5/16” (.312) |
||
|
0758-0437-STROKE |
7/16” (.437) |
||
|
0758-0562-STROKE |
9/16” (.562) |
||
|
0758-0750-STROKE |
3/4" (.750) |
||
|
0758-0875-STROKE |
7/8” (.875) |
||
|
0758-1062-STROKE |
1-1/16” (1.062) |
||
|
0758-1250-STROKE |
1-1/4” (1.250) |
||
|
0758-1500-STROKE |
1-1/2” (1.500) |
||
|
0758-1750-STROKE |
1-3/4” (1.750) |
||
|
0758-2000-STROKE |
2” (2.000) |
||
|
0758-3000-STROKE |
3” (3.000) |
||
|
Double Acting / Nose Mount |
|||
|
Part Number |
Bore Size |
Specifications |
Order |
|
0983-0312-STROKE |
5/16” (.312) |
||
|
0983-0437-STROKE |
7/16” (.437) |
||
|
0983-0562-STROKE |
9/16” (.562) |
||
|
0983-0750-STROKE |
3/4" (.750) |
||
|
0983-0875-STROKE |
7/8” (.875) |
||
|
0983-1062-STROKE |
1-1/16” (1.062) |
||
|
0983-1250-STROKE |
1-1/4” (1.250) |
||
|
0983-1500-STROKE |
1-1/2” (1.500) |
||
|
0983-1750-STROKE |
1-3/4” (1.750) |
||
|
0983-2000-STROKE |
2” (2.000) |
||
|
0983 -3000-STROKE |
3” (3.000) |
||
|
Double-End Rod / Nose Mount |
|||
|
Part Number |
Bore Size |
Specifications |
Order |
|
0972-0437-STROKE |
7/16” (.437) |
||
|
0972-0562-STROKE |
9/16” (.562) |
||
|
0972-0750-STROKE |
3/4" (.750) |
||
|
0972-0875-STROKE |
7/8” (.875) |
||
|
0972-1062-STROKE |
1-1/16” (1.062) |
||
|
0972-1250-STROKE |
1-1/4” (1.250) |
||
|
0972-1500-STROKE |
1-1/2” (1.500) |
||
|
0972-1750-STROKE |
1-3/4” (1.750) |
||
|
0972-2000-STROKE |
2” (2.000) |
||
|
0972-3000-STROKE |
3” (3.000) |
||
From $120.06
To $236.84
WARNING: HYDRAULIC AND PNEUMATIC POWER SYSTEMS CAN FAIL THROUGH MISUSE, AGE OR MALFUNCTION. THE SYSTEM DESIGNER IS WARNED TO CONSIDER THE FAILURE MODES OF ALL COMPONENTS USED IN THE DESIGN AND ENGINEERING OF ALL SYSTEMS AND TO PROVIDE ADEQUATE SAFEGUARDS TO PREVENT PERSONAL INJURY OR DAMAGE TO EQUIPMENT IN THE EVENT OF SUCH FAILURES